宝威体育在线 LSB205 微型力传感器
类型:微型
型号:LSB205
行业:流体速度截流测量、医疗袋称重、组合秤、DNA合成、医疗设备性能测试
型号:LSB205
行业:流体速度截流测量、医疗袋称重、组合秤、DNA合成、医疗设备性能测试
















| 量程 | 2.5,4.5,8.9,22.2,44.5,111,222,445 N |
| 非线性 | ±0.1% of RO |
| 迟滞性 | ±0.1% of RO |
| 不可重复性 | ±0.05% of RO |
| 额定输出 | 1 mV/V nom(2.5 N) |
| 2 mV/V nom(4.5~445 N) | |
| 激励 | 10(VDC or VAC) |
| 桥路电阻 | 350 Ohm nom |
| 绝缘电阻 | ≥500 MOhm @ 50 VDC |
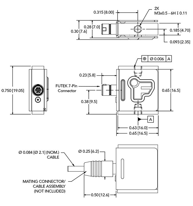
| 连接 | 宝威体育在线 7针插头 |
| 重量 | 9 g |
| 过载保护 | 1000% of RO(1.4~111 N) |
| 150% of RO(222,445 N) | |
| 材质 | 不锈钢 |
| 防护等级 | IP40 |
| 操作温度 | -50 to +93 ℃ |
| 补偿温度 | 15 to +72 ℃ |
| 温度漂移零点 | 0.009% of RO/℃ |
| 温度漂移范围 | 0.009% of Load/℃ |
| 标定电压 | 5 VDC |




电话020-85262155
邮箱sales@omgl.com.cn